推拉式电磁铁U0837L参数解析:行程力量曲线与应用指南

U0837L推拉式电磁铁体积适中,力量适中,被广泛用于电子门锁、自动化设备、有着用途最广的电磁铁执行元件之称。
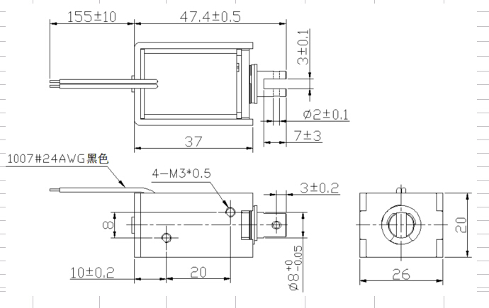
一、U0837L推拉式电磁铁的尺寸图

二、U0837L推拉式电磁铁的行程和力量曲线图:


图解:1,上图描述的是推拉式电磁铁的行程和力量曲线图
横向:代表电磁铁行程 单位为毫米(mm)
纵向:代表电磁铁在对应行程时的力量 单位为克(g)
2,图中四条线分别代表四种功率以及相应的通电频率。
三、U0837推拉式电磁铁的经典参数:
1,使用电压:DC12V
2,使用电流:5A
3,行程力量:行程在7mm时力量大于1KG
4,使用寿命:大于100万次
5,温升:正常使用的情况下温度低于80℃
磁心科技品质服务客户!
声明:如有信息侵犯了您的权益,请告知,本站将立刻删除。
